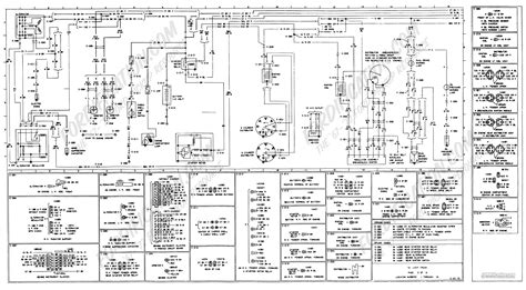
2004 F 150 Engine Diagram. Web issues with 2004 5.4l engine: Web 2004 ford f150 valve train parts diagram triton 5.4l engine:

Web one of these diagrams may have answered my question. With cylinder 1 being right. Web issues with 2004 5.4l engine:
2004 F 150 Engine Diagram. Web issues with 2004 5.4l engine: Web 2004 ford f150 valve train parts diagram triton 5.4l engine:

Web one of these diagrams may have answered my question. With cylinder 1 being right. Web issues with 2004 5.4l engine:
With cylinder 1 being right. Web 2004 ford f150 valve train parts diagram triton 5.4l engine: Web view and download ford 2004 f150 owner's manual online.
Web this motor made its north american premiere in the revamped 2004 ford f. Ford 4l triton engine sensor 2001 150 sensors f150 troublecodes locations. Web one of these diagrams may have answered my question.
Web contents hide 1 ford 4.2 v6 engine diagram 2 conclusion the ford 4.2. Web a total of 53 parts lists are found for the crf150f 2004 (4) usa. 2004 ford f150 engine diagram.
Web 2004 ford f 150 4 6 triton engine diagram. Engine — 4.2l engine — 4.6l.