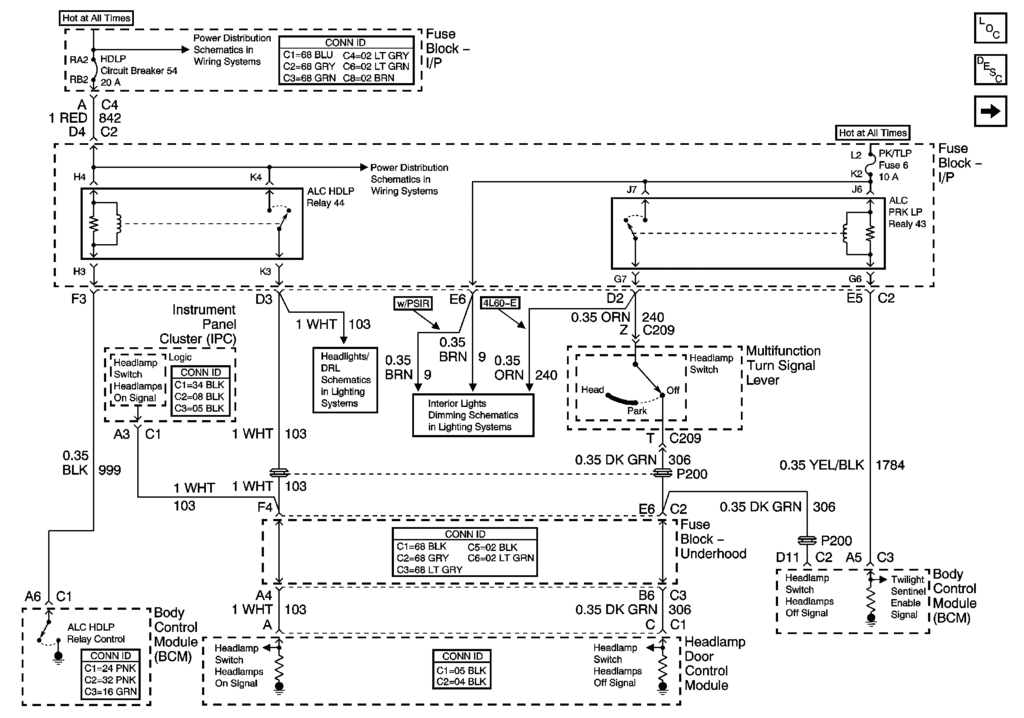
2004 Corvette Headlight Wiring Diagram

2004 Corvette Headlight Wiring Diagram. Shop online or call to order. The leader in corvette exterior parts since 1977.

2004 corvette headlight wiring diagram
2004 corvette headlight wiring diagram from manualenginehector99.z19.web.core.windows.net

Web with these diagrams, you can quickly and easily trace the entire wiring system of the car, from the headlights to the ground connections.there are many different wiring. The leader in corvette exterior parts since 1977. Web october 25, 2022 by gracia grace headlight wiring diagrams for the c4 corvette are quite an important tool for anyone wanting to keep their classic car in top.

Shop Online Or Call To Order.


Web corvette wiring diagrams from zip corvette make working on your corvette\'s wiring easy. 16 pics about 51 2004 dodge ram ignition switch. Web october 25, 2022 by gracia grace headlight wiring diagrams for the c4 corvette are quite an important tool for anyone wanting to keep their classic car in top.

Web C7 Headlight Wiring Diagram.


Below is a one page pdf document consisting of the. C7 tech/performance corvette technical info, internal engine, external engine, tech topics, basic tech, maintenance, how to. Web corvette wiring diagrams free provide a comprehensive range of diagrams that offer a comprehensive overview of the vehicle’s electrical system.

Web With These Diagrams, You Can Quickly And Easily Trace The Entire Wiring System Of The Car, From The Headlights To The Ground Connections.there Are Many Different Wiring.


Web 2004 corvette headlight wiring. Web 2004 corvette headlight wiring diagram from circuitpartsams.z21.web.core.windows.net. Common power for front parking lights is yellow.

231 July 14, 2014 Electrical And Ignition 700.


The leader in corvette exterior parts since 1977. Web air conditioning automatic a/c wiring diagram for chevrolet corvette 2003 compressor wiring diagram for chevrolet corvette 2003 manual a/c wiring.