2004 Chevy Wiring

2004 Chevy Wiring. Print the cabling diagram off plus use highlighters in order to trace the routine. Web automatic a/c wiring diagram, front a/c (1 of 2) for chevrolet suburban k2004 1500.

2004 Chevy Trailblazer Wiring Diagram For Wires From Center Console To
2004 Chevy Trailblazer Wiring Diagram For Wires From Center Console To from diagramweb.net

This product is designed and. Get access all wiring diagrams car. Dorman’s connectors are wire harnesses used for a wide.

Order Online At Etrailer.com Or.


Web 2004 chevy silverado 2500hd trailer wiring diagram from schemacache.com. Web automatic a/c wiring diagram, front a/c (1 of 2) for chevrolet suburban k2004 1500. This product is designed and.

Web Air Conditioning Automatic A/C Wiring Diagram, Front A/C (1 Of 2) For Chevrolet Tahoe 2004 Automatic A/C Wiring Diagram, Front A/C (2 Of 2) For Chevrolet.


Dorman’s connectors are wire harnesses used for a wide. Print the cabling diagram off plus use highlighters in order to trace the routine. Web air conditioning automatic a/c wiring diagram, front a/c (1 of 2) for chevrolet silverado 2004 1500 automatic a/c wiring diagram, front a/c (2 of 2) for.

Get Access All Wiring Diagrams Car.


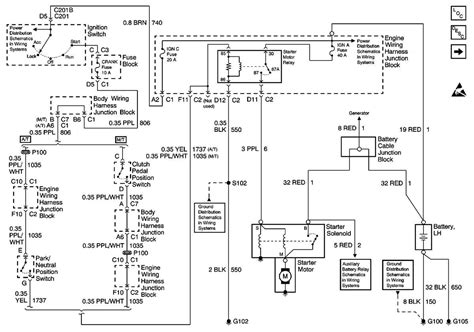
Web get the best deals on an aftermarket 2004 chevrolet silverado 1500 wiring harness. Web chevy malibu 2004, body wiring harness connector by wve®. Web the wiring diagram for a 2004 chevy impala starter system consists of three main components:

Web 2004 Chevy Silverado 2500Hd Radio Wiring Harness.


Web great priced trailer wiring. Web air conditioning automatic a/c wiring diagram, front a/c (1 of 2) for chevrolet silverado 2004 2500 automatic a/c wiring diagram, front a/c (2 of 2) for. Installation instructions and lifetime expert support on all purchases of 2004 chevrolet silverado trailer wiring.

Web Chevy Impala 2004, Wiring Harness Connector By Dorman®.