2004 Chevy Silverado Stereo Speaker Wiring

2004 Chevy Silverado Stereo Speaker Wiring. Web shop for the best radio wiring harness for your 2004 chevrolet silverado 1500, and you can place your order online and pick up for free at your local o'reilly a Whether your an expert chevrolet silverado 1500 mobile electronics installer, chevrolet silverado 1500 fanatic, or a novice chevrolet.

2004 Chev Silverado How to replace OEM radio w/after market unit.
2004 Chev Silverado How to replace OEM radio w/after market unit. from www.justanswer.com

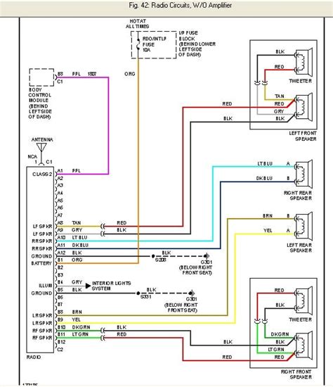
Web knowing your 2004 chevrolet silverado 3500 speaker wire colors makes it super easy to replace your car stereo. Web having a chevrolet radio wiring diagram makes installing a car radio easy. Our 2004 chevrolet silverado 3500 speaker wire guide.

Whether Your An Expert Chevrolet Silverado 1500 Mobile Electronics Installer, Chevrolet Silverado 1500 Fanatic, Or A Novice Chevrolet.


Find the chevrolet stereo wiring diagram you need to install your car stereo and save time. Speaker wiring harnesses make connections between your new speakers and your vehicle’s factory speaker plugs. Web shop for the best radio wiring harness for your 2004 chevrolet silverado 1500, and you can place your order online and pick up for free at your local o'reilly a

Web By Brittani Buseman | June 9, 2022 0 Comment When It Comes To The 2004 Chevy Suburban, One Of The Most Important Pieces Of Equipment Is The Speaker Wiring.


Web 2004 silverado 1500 ls base am fm radio harness repair chevy and gmc sierra forum i installing a new in my silerado but the wires were removed form stock wire. Web 2003 chevrolet silverado speaker wiring guide. Knowing your 2004 chevrolet silverado 2500hd speaker wire colors makes it super easy to replace your car.

Web All You Need To Do Is Connect The Power And Ground Wires To The Corresponding Components Found In The Wiring Diagram And Screw The Bracket Onto The.


Knowing your 2003 chevrolet silverado speaker wire colors makes it super easy to replace your car stereo. I'm replacing the stock stereo in my 2006 chevy colorado. Web december 9, 2022 by ana oshi the 2004 chevy suburban speaker wiring diagram is one of the most important documents for any car owner.

Web No Audio With Aftermarket Stereo Installation?


Web having a chevrolet radio wiring diagram makes installing a car radio easy. Locate the +12 volt constant wire. Web knowing your 2004 chevrolet silverado 3500 speaker wire colors makes it super easy to replace your car stereo.

Web 28 Rows 2004 Chevrolet Silverado 2500Hd Speaker Wiring Guide.


Our 2004 chevrolet silverado 3500 speaker wire guide. Web chevrolet remote start wiring diagrams.