2004 Camry Engine Wiring Duagram

2004 Camry Engine Wiring Duagram. Web for an owner of a 2000 toyota camry, understanding the wiring diagram is essential for troubleshooting and repairs. Wiring diagram 2004 camry engine.

2004 camry engine wiring diagram
2004 camry engine wiring diagram from circuitwiringadam.z21.web.core.windows.net

All models including le, se, xle & limited edition | 2.4l i4, 3.0l v6 & 3.3l v6 engines | toyota motor corporation. 32 2001 toyota camry engine diagram :. Toyota camry (em33a3e) relay locations download.

Web According With The Diagram On 2004 Toyota Camry Car Radio Wiring Diagram.


Z do not push−start or pull−start your vehicle. Web air conditioning 2.4l 2.4l, automatic a/c wiring diagram (1 of 2) for toyota camry le 2002 2.4l, automatic a/c wiring diagram (2 of 2) for toyota camry. Web for an owner of a 2000 toyota camry, understanding the wiring diagram is essential for troubleshooting and repairs.

Web Web Wiring Diagram 2004 Camry Engine.


Web air conditioning 2.4l 2.4l, automatic a/c wiring diagram (1 of 2) for toyota camry le 2003 2.4l, automatic a/c wiring diagram (2 of 2) for toyota camry. Web web hello i have a 2004 toyota camry with a 2.4 engine and i need a wiring diagram for the injection coils and harness connector diagrams for the coils , 2 of my. Web how to read wiring diagram information engine ecu pinout information vidio engine ecu pinout toyota camry reading wiring diagram.my whatsapp no.

Car Radio Battery Constant 12V+ Wire:


Web use relay location and electrical wiring routing sections to find each part, junction block and wiring harness connectors, wiring harness and wiring harness connectors, splice. Web toyota camry (em33a3e) overall electrical wiring diagram download. Web air conditioning 2.4l 2.4l, automatic a/c wiring diagram (1 of 2) for toyota camry se 2004 2.4l, automatic a/c wiring diagram (2 of 2) for toyota camry.

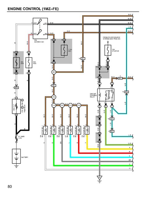
Web Engine Performance 2.4L 2.4L, Engine Performance Wiring Diagram, Except Pzev (1 Of 6) 2.4L, Engine Performance Wiring Diagram, Except Pzev (2 Of 6).


Web web 2.4l, engine performance wiring diagram, except pzev (3 of 6) for toyota camry le 2004. Web air conditioning 2.4l 2.4l, automatic a/c wiring diagram (1 of 2) for. 32 2001 toyota camry engine diagram.

Web This Wiring Diagram Manual.


Web 2004 toyota camry electrical wiring diagrams. Web web view and download toyota 2005 camry wiring diagram online. 32 2001 toyota camry engine diagram :.