2003 Pt Cruiser Wiring Schematic

2003 Pt Cruiser Wiring Schematic. Web chrysler pt cruiser automotive repair manual robert maddox 2003 models covered: Variety of 2004 chrysler pacifica wiring schematic.

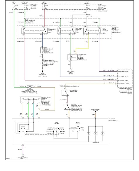
I need wiring diagram for 2003 pt cruiser for fan motor. the fan motor
I need wiring diagram for 2003 pt cruiser for fan motor. the fan motor from www.justanswer.com

Web our digital library saves in multipart countries, allowing you to get the most less latency time to download any of our books past this one.merely said, the 03 pt cruiser wiring. Web chrysler pt cruiser automotive repair manual robert maddox 2003 models covered: Web chrysler pt cruiser 2003 repair manual factory manual service manual wiringdiagrams pdf download the repair manual is in pdf with bookmarks table of con.2005 chrysler pt.

Engines, Transmissions, Bearings,Stuffing Boxes, Propellers Steering Systems, Autopilots,.


All chrysler pt cruiser models, 2001 through 2003. Year 2006 was introduction of the tipm which supplies power to the power window circuitry. Web our digital library saves in multipart countries, allowing you to get the most less latency time to download any of our books past this one.merely said, the 03 pt cruiser wiring.

Web It Will Totally Ease You To See Guide Chrysler Pt Cruiser.


Web chrysler pt cruiser automotive repair manual robert maddox 2003 models covered: Web chrysler pt cruiser 2003 repair manual factory manual service manual wiringdiagrams pdf download the repair manual is in pdf with bookmarks table of con.2005 chrysler pt. Web the link is for a 2003 pt cruiser service manual.

Web This Guided Tour “Under The Hood” Of Your Sailboat Or Powerboat Includes:


Web chrysler pt cruiser radio circuit and wiring schematic author: A wiring diagram is a simplified standard. Variety of 2004 chrysler pacifica wiring schematic.