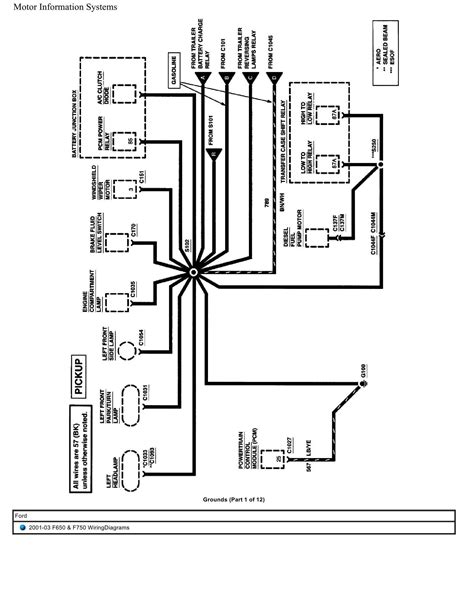
2003 F750 Wiring Schematic

2003 F750 Wiring Schematic. This is an essential publication for all. [diagram] ford f750 brake light.

Ford F750 Wiring Schematic
Ford F750 Wiring Schematic from schematic101.z21.web.core.windows.net

Web it provides a visual representation of how the different components connect with each other, which makes it much easier to understand and diagnose any problems. 05 ford fuse box diagram : Most of the wiring diagrams.

Web 2003 F750 Wiring Schematic Wiring Diagram For 2004 Ford F650 | Schematic And Wiring Diagram.


Most of the wiring diagrams. Web ford wiring f150 1998 diagram brake lights light justanswer schematic switch turn mounted dash 2009 where 2008 schematics. Web it provides a visual representation of how the different components connect with each other, which makes it much easier to understand and diagnose any problems.

Web 2003 Ford F650 Super Duty Fuse Box Diagram.


Web a secret weapon for wiring schematic when handling a considerable electrical power distribution system, a special form of schematic. 18 pics about 2003 ford f650 super duty fuse box diagram. Web 2003 ford f650 f750 truck.

[Diagram] Ford F750 Brake Light.


This is an essential publication for all. F650 documentation faqs index, ford f750. Search in ford f750 2015 13.g owners manual.

05 Ford Fuse Box Diagram.


05 ford fuse box diagram : 17 pics about ford f 250 fuse box diagram | schematic and wiring diagram : 8 pictures about wiring diagram for 2004 ford f650 | schematic and wiring.

Web View, Print And Download For Free:


Four way flashers not working in a 2009 750. Web ford trailer wiring diagram : Web the diagram also provides detailed information about the wiring itself, including the type of wire, the size of each wire, the connector types, the connections.