2003 F250 Wiring Schematic

2003 F250 Wiring Schematic. Web the f250 wiring diagram for 2003 models is especially important for those who own or are looking to purchase a 2003 model. Web to ensure that your ford f250 super duty has all the necessary wiring to tow safely and legally, it’s important to use a reliable 2003 ford f250 super duty trailer.

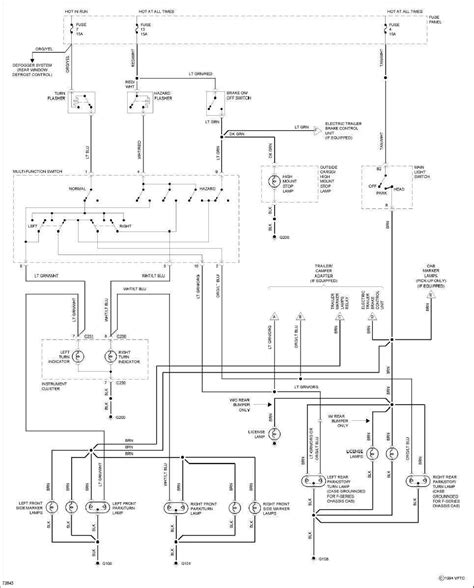
2003 F250 Wiring Diagram Homemadeal
2003 F250 Wiring Diagram Homemadeal from homemadeal.blogspot.com

Web 5.4l, engine performance wiring diagrams, with 4r100 transmission (1 of 4) for ford pickup f250 super duty 2002. We replaced the fuel pump and now we are not getting power. The one on this site gives infomation for.

Web The Wiring Diagram For The 2003 Ford F250 Super Duty Radio Shows The Layout Of The Internal Components And How They Are Interconnected.


Ford truck technical drawings and schematics section h wiring diagrams. Web 2003 f250 sd wiring diagram 3641 views 3 replies 2 participants last post by jaxjim , may 30, 2021 jaxjim discussion starter · may 29, 2021 hey all, does. We replaced the fuel pump and now we are not getting power.

Web Whether You’re Looking For A Wiring Diagram For A 2003 Ford F250 Super Duty On Your Own, Or You Need To Consult With A Professional Technician, You’ll Find A.


1999 to 2016 super duty 1999 to 2016 ford f250, f350, f450 and f550 super duty with diesel v8. Web 5.4l, engine performance wiring diagrams, with 4r100 transmission (1 of 4) for ford pickup f250 super duty 2002. All f250, f350, f450, f550 super duty trucks including xl, xlt, lariat,.

Web 1 Answer I Need A Wiring Schematic For My 2003 F250 Super Duty 4X4 Truck.


It has a 5.4l gas engine. Get access all wiring diagrams car. Web ford wiring diagrams free carmanualshub com.

Knowing The Wiring System Of This.


The one on this site gives infomation for. Web to ensure that your ford f250 super duty has all the necessary wiring to tow safely and legally, it’s important to use a reliable 2003 ford f250 super duty trailer. Web the f250 wiring diagram for 2003 models is especially important for those who own or are looking to purchase a 2003 model.