2003 Eclipse Wiring Diagram

2003 Eclipse Wiring Diagram. Web 2003 mitsubishi eclipse wiring diagram. Web the 2003 mitsubishi eclipse rs radio wiring diagram consists of five main components:

Need radio wiring diagram for 2003 Mitsubishi Eclipse Spyder with the
Need radio wiring diagram for 2003 Mitsubishi Eclipse Spyder with the from www.justanswer.com

Web i have a 2003 mitsubishi eclipse, the original wire already have been cut frombefore, but now i am trying to install a different after market pioneer reciever, how do. N/a car parking lights wire (+): The main power connector, the radio ground connector, the speaker.

Web Get The Premium Stereo Wiring Harness Adapter Kit Which Comes With The Two Rca Pairs And Main Connector (You Only Use 3 Of The 4 Factory Wires) And Don't Worry.


Web 2003 mitsubishi eclipse stereo wiring diagrams : It begins with a few general notes about the vehicle and the. Web detailed mitsubishi eclipse engine and associated service systems (for repairs and overhaul) (pdf) mitsubishi eclipse transmission data service manual pdf;

I Didn't Include All Of The Wiring Since You Said That You Were Just Installing Speakers.


Web 2003 mitsubishi eclipse wiring diagram. Web air conditioning 2.4l 2.4l, manual a/c wiring diagram (1 of 2) for mitsubishi eclipse gs 2003 2.4l, manual a/c wiring diagram (2 of 2) for mitsubishi. Web car speed sense wire:

Web Tach Is The Terminal On The Top Left Of The T, The Wire Under The Terminal Is White Or White/ Red.


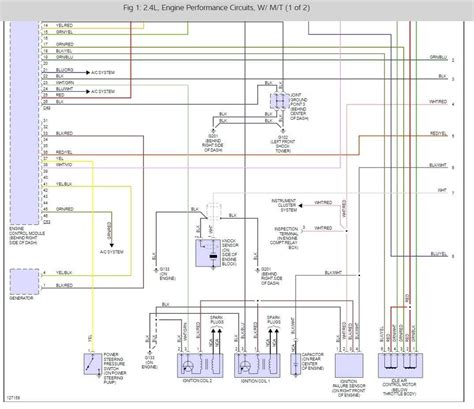
The main power connector, the radio ground connector, the speaker. *5 located in a large white 38 pin plug behind the radio. Web engine performance 2.4l 2.4l, engine performance wiring diagram, with m/t (1 of 2) 2.4l, engine performance wiring diagram, with m/t (2 of 2) 2.4l,.

Green/White Car Parking Lights Wire Location:


Web 19+ 2003 mitsubishi eclipse radio wiring diagram pics. Web air conditioning 2.4l 2.4l, manual a/c wiring diagram (1 of 2) for mitsubishi eclipse spyder gts 2003 2.4l, manual a/c wiring diagram (2 of 2) for. Web the wiring diagram for a 2003 mitsubishi eclipse is quite extensive and includes several pages.

N/A Car Parking Lights Wire (+):


I own a 2003 mitsubishi spyder eclipse gt and my alarm fob broke off its key chain so i havent been using it lately. Web i have a 2003 mitsubishi eclipse, the original wire already have been cut frombefore, but now i am trying to install a different after market pioneer reciever, how do. White/blue car speed sense wire location: