2003 E350 Wiring Schematic

2003 E350 Wiring Schematic. Looking for a complete wiring diagram for my truck. Handy wiring diagram that shows a paper trail of how the electrical system.

2012 ford e350 fuse box diagram
2012 ford e350 fuse box diagram from fixmachineyoshinobu77.z5.web.core.windows.net

Web discussion starter · may 19, 2010. Handy wiring diagram that shows a paper trail of how the electrical system works for the 7.3l powerstroke. This includes the wiring diagrams for the compressor,.

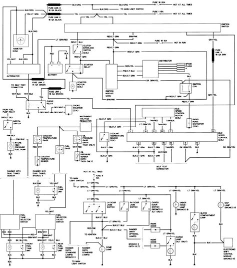
Starting Charging Ford Econoline E350 1998 System Wiring Diagrams For Cars.


Web fortunately, ford offers detailed wiring diagrams for the e350 range of vehicles, which makes the task of figuring out the wiring much easier. Web wiring diagram for 2003 f350 7.3. Web i need a 2003 f350 super duty fog log lamp wiring schematic from www.justanswer.com then choose the wiring diagram that best fits the repair issue or problem.

Ford E350 Van Wiring Diagrams Can Be Found.


7.3l wiring schematic printable, very handy. Web i am looking for the wiring diagram and/or schematic for a 2003 ford e350 ambulance in particular the internal box That's not a diagram, it's a book you're.

Web Instrument Cer Ford Econoline E350 1997 System Wiring Diagrams For Cars.


This includes the wiring diagrams for the battery and starter. Handy wiring diagram that shows a paper trail of how the electrical system. Web with the right ford e350 van wiring diagram, the installation and repair process will be much less stressful.

Web 7.3L Wiring Schematic Printable, Very Handy.


Web in the table below you can see 13 e series workshop manuals,10 e series owners manuals and 5 miscellaneous ford e series downloads. This includes the wiring diagrams for the compressor,. Radio wiring diagram, with rear entertainment (2 of 2) get access all.

Looking For A Complete Wiring Diagram For My Truck.


Handy wiring diagram that shows a paper trail of how the electrical system works for the 7.3l powerstroke. Web radio wiring diagram, with rear entertainment (1 of 2) get access all wiring diagrams car. Web discussion starter · may 19, 2010.